X893
Skip to navigation
Skip to primary content
Skip to secondary content
.NET
Asterisk
BLE
CNC
CS
Fax
GPS
Linux
MCU
OBD
RF
SiLabs
STM32
Video
IoT
AVR
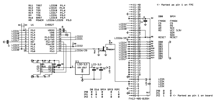
Turing Smart Screen 3.5"
Saturday, December 06 2025
0 comment(s)
Github
Bitbucket
SF.net
Skype
Telegram
Subscribe
Recent Posts
Turing Smart Screen 3.5"
IoT LORAWAN Nano Tracker
Activate System Bootloader on RAK4200 (STM32L071KB)
IoT LORAWAN Micro Tracker
BB Blue LORAWAN Gateway
Recent Comments
Dimitris on Jump to SiLabs: Step 1 - Make a Debug Tool
Samir Gara on IoT LORAWAN Nano Tracker
Boris Popov on DIY JLink-OB-072 (JLink + COM)
Tomi on IoT LORAWAN Nano Tracker
Starlord on IoT LORAWAN Nano Tracker
Tags
arduino
asterisk
avr
cmsis-dap
debug-adapter
efm32
g200
ge865
gps
gsm
iot
lora
lorawan
maple
neo-5q
rf
software
stm32
tracker
ublox
u-blox
voip
0 comment(s)